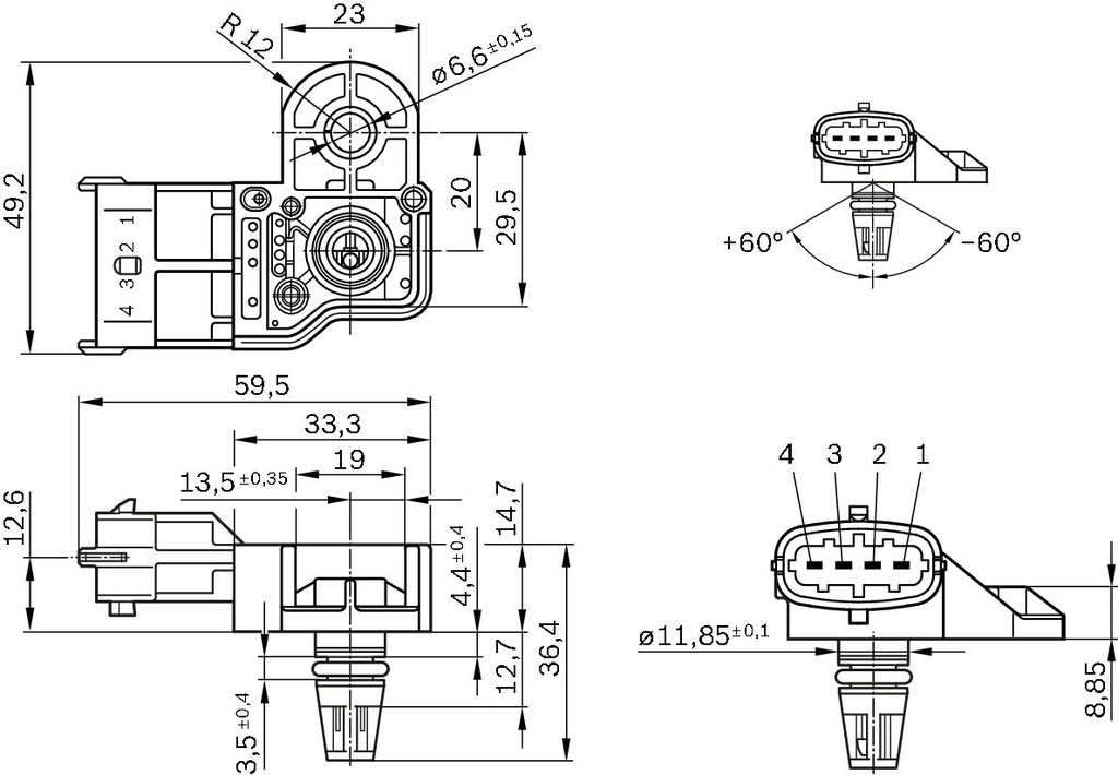
INTAKE PRESSURE SENSOR BOSCH FIAT SAAB
Product Code:
0 281 006 076
Your Dynamic Snippet will be displayed here...
This message is displayed because youy did not provide both a filter and a template to use.











