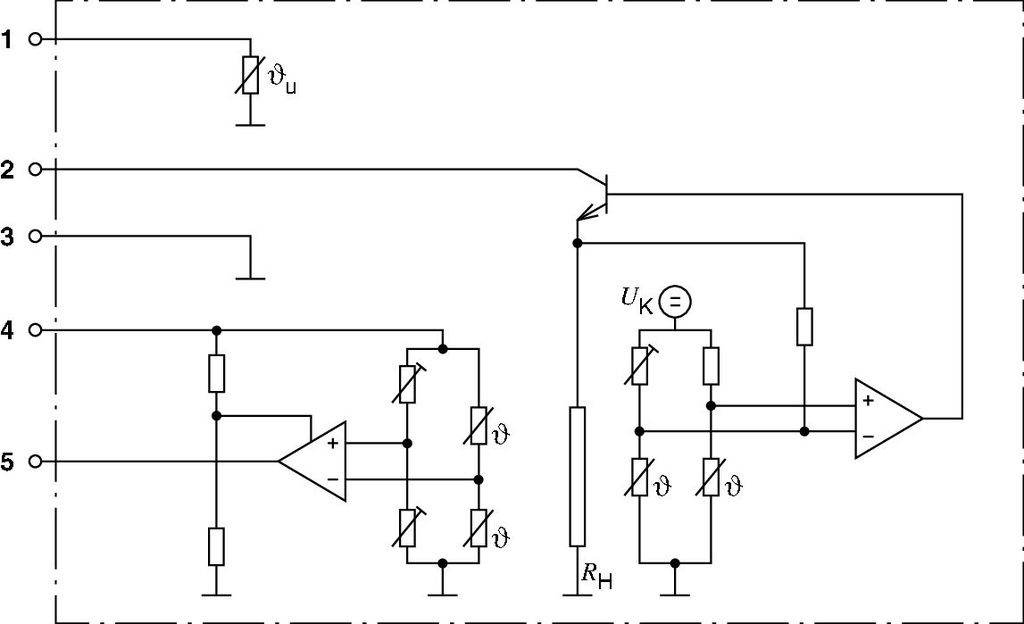
AIR FLOW METER BOSCH VOLVO
                        Product Code: 
                            0 280 218 089
                        
                
                                Your Dynamic Snippet will be displayed here...
                                This message is displayed because youy did not provide both a filter and a template to use.
                            
                        












